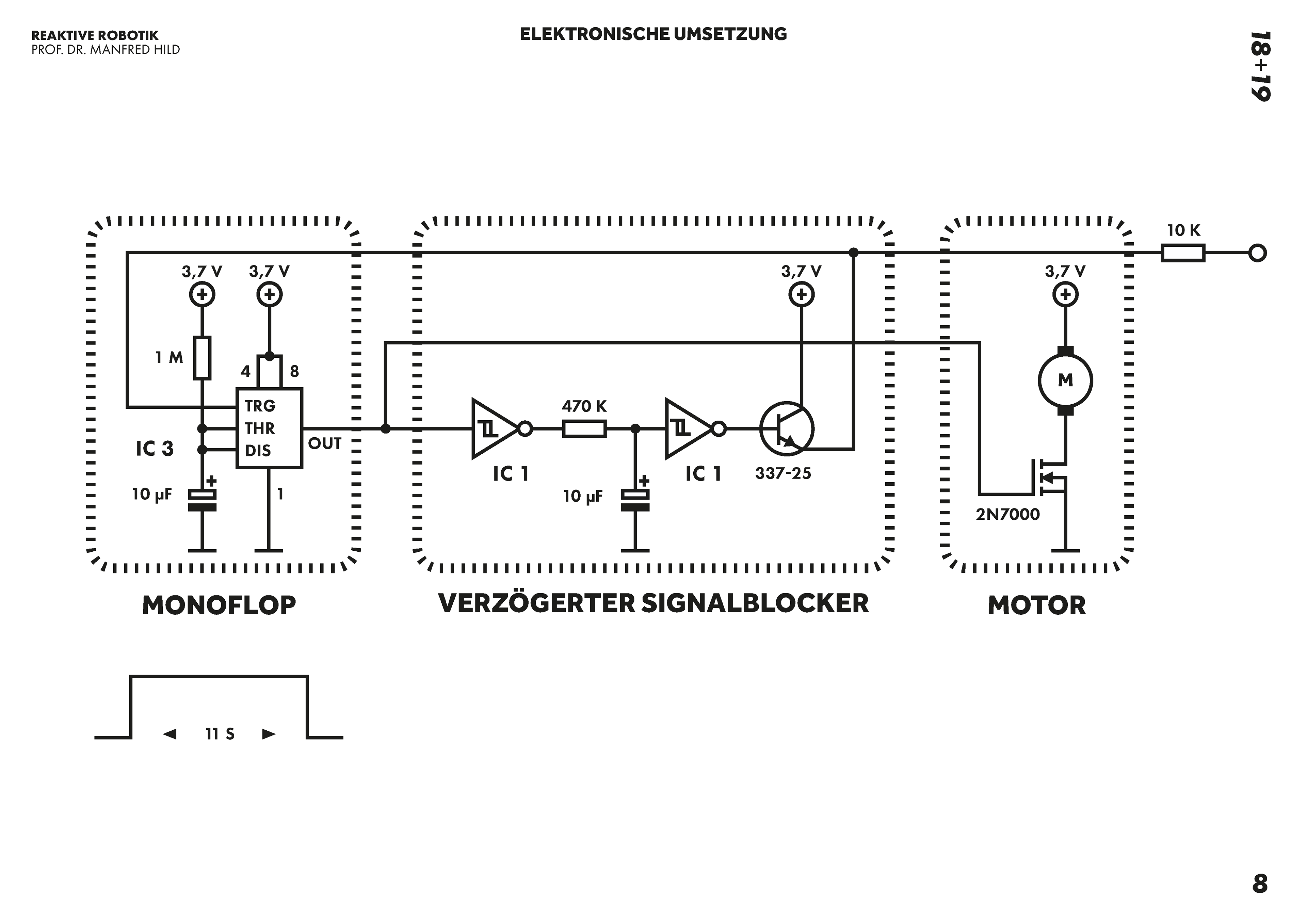
The function principle including the initial idea, the implementation with analog electronics as well as the mechanical design are roughly explained in the presentation below. Unfortunately the presentation is written in German, even though the schematics are kind of universal. Have fun reading!









